Kontaktujte nás na +420 313 515 167 nebo info@yuken.cz

Kompatní agregáty řady YF - ukončena výroba od 2015

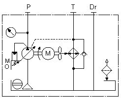
Kompaktní hydraulické agregáty řady YF s axiálním pístovým čerpadlam s možností vlastní nastavby. Elektromotor 0,75kW až 2,2kW. 

 

  • snížená spotřeba energie
  • malé zástavbové rozměry
  • nízký hluk a vibrace

 

Více informací naleznete v přiloženém katalogu.




Kompatní agregáty řady YF - ukončena výroba od 2015 Kompatní agregáty řady YF - ukončena výroba od 2015

Soubory ke stažení

Poptávkový formulář